Базовая комплектация
| Комплектация | Описание типовой установки | Варианты модификаций |
|---|---|---|
| Корпус | Сварная металлическая емкость прямоугольной формы, усиленная профилем. Сварная опорная рама. Материал: углеродистая сталь с антикоррозионным покрытием | |
| Приемная камера | Приемная камера (гаситель напора) с распределителем потока | |
| Зона тонкослойной сепарации | Сечение отстойной части на 100% перекрывается сотоблоком, собранным из ПВХ-профиля с шпунтовым соединением. Высота модулей 850мм, угол наклона 60 градусов к горизонту. Опорная стальная решетка для монтажа сотоблока. | |
| Устройство удаления нефтепродуктов | Отсек для сбора нефти с переливным устройством |
|
| Коническое днище | Конусы (1-16 штук в зависимости от модели) с уклоном стенок 45-60 градусов к горизонту. Коллектор для сброса осадка. | |
| Карман сброса очищенной воды | Горизонтальный водослив с регулируемой гребенкой из полипропилена | |
| Электрооборудование | Клеммные коробки 38022024; Комплект силовых и управляющих кабелей. |
Техническое обслуживание нефтеловушек с коалесцентными модулями
Для обеспечения стабильного и эффективного функционирования нефтеловушек необходимо выполнять следующие работы по техническому обслуживанию:
- не реже раза в месяц проверять состояние нефтеловушки;
- регулярно определять высоту нефтяного слоя и слоя ила;
- при необходимости извлечь коалесцентный блок и промыть пластины струей воды;
- при накоплении слоя ила, превышающего 1/3 объема нефтеловушки, необходимо произвести его откачку.
Одновременно с проведением откачки ила рекомендуется проверить техническое состояние нефтеловушки. Сразу после окончания проверки необходимо заполнить нефтеловушку водой. Это обеспечит ее дальнейшее эффективное функционирование.
Устройство и принцип работы нефтеловушки
Для изготовления корпуса нефтеловушек используется армированный стеклопластик. При выборе модели нефтеловушки определяющим фактором является объем очищаемого стока.
Очистка стоков во всех нефтеловушках, независимо от модификации, происходит в несколько этапов. Вначале стоки поступают в первую камеру для отстаивания. Здесь происходит отделение крупных частиц мусора, песка, взвесей.
Далее вода самотеком подается во вторую камеру, оборудованную коалесцентным фильтром. Принцип работы нефтеловушки на этом этапе – объединение мельчайших капель нефтепродуктов в более крупные частицы. Нефтяная пленка, всплывая, накапливается на поверхности воды. При достижении толщины нефтяной пленки 150 мм включается сигнализация, оповещающая обслуживающий персонал о необходимости удаления пленки нефтепродуктов.
Завершающим этапом является окончательная очистка сточных вод от нефтепродуктов на сорбционных фильтрах. Следует помнить, что нефтеловушки – лишь одна ступень в системе очистки сточных вод. Так как жидкость проходит через системы очистки в нефтеловушке самотеком, их обслуживание не требует постоянного присутствия обслуживающего персонала.
Устройство нефтеловушки – скиммеры для предварительной очистки
Устройство нефтеловушки предусматривает использование скиммеров. Скиммеры (устройства нефтесбора) предназначены для удаления нефти непосредственно с поверхности воды. Широко применяются, например, для очистки водных поверхностей и акваторий при розливах нефтепродуктов.
По принципу действия скиммеры делятся на два типа:
- пороговые, в которых разделение происходит за счет перелива верхней фазы жидкости, имеющей меньший удельный вес, через пороговую преграду в смежный сборник с более низким уровнем жидкости;
- олеофильные, принцип действия, которых основан на повышенной адгезии (налипанию, смачиванию) нефти некоторым материалам. Данный способ особенно хорош при наличии механических помех для сбора нефти, например на мелководье или в прибрежных зарослях.
Предварительная очистка стоков от нефтяной пленки и крупных капель нефтепродуктов с помощью скиммера позволяет в полтора – два раза поднять производительность нефтеловушки (за счет раннего и более полного удаления собранных загрязнений).
Имеется и еще целый ряд преимуществ применения нефтеловушек:
- собранные нефтепродукты практически не содержат воды. За счет этого резко снижается объем отходов, сдаваемых на утилизацию, и, соответственно, экономятся средства;
- по составу собранные нефтепродукты пригодны для использования в качестве топлива для котельных;
- отсутствует необходимость в пользовании дорогостоящими услугами спецтехники по вывозу жидких отходов (ассенизатора);
- отсутствует необходимость вручную собирать нефтяную пленку подручными средствами;
- высокая эффективность работы дальнейших систем очистки (особенно это касается фильтрующих или сорбционных блоков), так как исключается возможность «проскока» нефтепродуктов, резко ухудшающих работу этих систем.
Установка скиммера выполняется на сварную металлическую раму прямо над колодцем обслуживания нефтеловушки. Для изготовления рамы используются уголки (50*50 мм), сваренные в форме буквы «П». При установке следует следить, чтобы маслосборные трубки свисали свободно, не касаясь рамы, колодца или корпуса скиммера. Нижний край трубок должен находиться ниже уровня поверхности очищаемой воды на 20 – 30 см.
1 Вред от нефтепродуктов попадающих в воду
В случае попадания нефтепродуктов в водоёмы в результате работы заводов или нефтеперерабатывающих предприятий — происходит постепенное угнетение местной экосистемы, что в перспективе приводит в вымиранию местной флоры и фауны. Это очень опасный процесс, который нельзя допускать вообще.
Те же виды, которые переживают новое состояние водоёма – обычно теряют способность размножаться. И это в лучшем случае. В худшем же попадание нефти в окружающую среду приводит к очень тяжелым последствиям.
Например, при попадании в открытый источник типа моря или озера, нефть равномерно растекается по его поверхности. Она накрывает плотной пленкой огромную толщу озера, тем самым, блокируя нормальный доступ кислорода и солнечных лучей к подводным обитателям.
Совершенно очевидно, что без солнца и воздуха ни водоросли, ни морские жители долго не протянут. Это приведет к их вынужденной миграции. Если же убегать некуда, например нефть разлилась из-за завода, что находится возле озера, то гибель их почти неминуема.
Попадание нефтепродуктов, в случае сброса недостаточно очищенных стоков от промышленных предприятий в почву, также со временем нарушает её плодородную функцию, разрушая баланс содержания азота. Не менее опасна нефть, и попавшая в грунтовые воды, поскольку будет изменяться их минеральный состав.

Стационарные системы очистки сточных вод от нефтепродуктов
При этом вывести ее из почвы будет чрезвычайно сложно, так как работы эти нерентабельны и очень трудоемки. Даже после полной очистки плодородность земли существенно снизится. Восстановить ее можно только современными методами удобрения и химического насыщения грунта. А они довольно дорогостоящие.
Попадание нефтепродуктов в воду, которую в дальнейшем употребляет внутрь человек также оказывает на него отравляющее воздействие, часто – канцерогенное, увеличивая риск раковых заболеваний. Впрочем, пить такую воду вы вряд ли согласитесь, так как она имеет характерный привкус и запах.
Сточные воды в современном многомиллионном городе нуждаются в многоэтапной очистке от нефтепродуктов. Особенно это касается сточных вод от частных районов, где в общую массу стоков попадает больший процент бензина и масел, что утекают из гаражей и других подобных строений.
Несмотря на различные методы, в том числе применяемые на нефтеперерабатывающих предприятиях и в оборудовании различных заводов – сама продукция автомобильно-промышленных мощностей предполагает частое использование и хранение нефтепродуктов, а также их перевозку.
От аварий же сейчас никто не застрахован, поэтому случаи разлива нефти достаточно часты. Как видно из вышеописанных фактов и суждений, нефть в открытом виде может серьезно навредить человеку и его окружению
А потому вопросам очистки жидкостей от нефтепродуктов следует уделять особое внимание
Назначение нефтеуловителя (нефтеловушки)
Нефтеуловители (нефтеловушки) ЛПВ производства ООО ЭКОВОД» предназначены для использования на автостоянках, бензоколонках, площадках по сбору ливневых стоков и других местах, где есть необходимость в очистке сточной воды от взвешенных веществ и нефтепродуктов.
Нефтеуловители (нефтеловушки) ЛПВ изготовлены в соответствии с ТУ и имеют все необходимые сертификаты и заключения соответствующих служб о целесообразности их применения на территории Российской Федерации.
Нефтеуловители (нефтеловушки) применяются для очистки сточных вод от нефтепродуктов. Вода, подающаяся на очистку в нефтеуловитель (нефтеловушка) ЛПВ производства ЭКОВОД» должен иметь параметры: содержание взвешенных веществ не более 300 мг/литр, нефтепродуктов не более 75 мг/литр, если эти параметры выше, то до нефтеуловителя (нефтеловушки) должен быть предусмотрен пескоуловитель.
Если стоки необходимо очистить до параметров воды рыбохозяйственных водоемов (0.05 мг/л по н/п), то после нефтеуловителя (нефтеловушки), в технологическую схему очистки воды, монтируется фильтр доочистки с сорбционной загрузкойпроизводства ЭКОВОД».
При сборе сточной воды с какой-либо территории, не требующей 100% очистки всего объема стока, на очистку направляется первые 10мм осадков. В этом случае перед технологической схемой очистки воды, монтируется распределительный колодец производства ЭКОВОД».
Особенности и преимущества нефтеулавливателей «Флотенк»
Заказать и купить нефтеуловитель в нашей компании можно не только легко и просто, но еще и очень выгодно. Устройство этих очистных конструкций обеспечивает их простой монтаж, они полностью соответствуют действующим СНИП, их превосходно продуманные и прекрасно реализованные схемы обеспечивают не только надежное и бесперебойное функционирование, но и удобное обслуживание. Каждый нефтеуловитель для ливневой канализации и канализации любого другого типа, который мы изготавливаем, в процессе производства проходит самый тщательный контроль качества. На все модели нефтеуловителей цена в нашей компании очень демократична.
| Расход стоков, л/с | Диаметр корпуса (D), мм | Длина корпуса (L), мм | Dвх/Dвых, мм | Перепад вх/вых, мм |
| 3 | 1200 | 2500 | 110 | 120 |
| 6 | 1200 | 2500 | 160 | 120 |
| 10 | 1600 | 4000 | 160 | 200 |
| 15 | 1600 | 4000 | 200 | 200 |
| 20 | 1600 | 4000 | 200 | 200 |
| 25 | 1800 | 3800 | 200 | 200 |
| 30 | 1800 | 3800 | 250 | 200 |
| 40 | 2000 | 3600 | 250 | 300 |
| 50 | 2000 | 3600 | 250 | 300 |
| 65 | 2000 | 6600 | 315 | 300 |
| 80 | 2000 | 6600 | 315 | 300 |
| 90 | 2000 | 6600 | 400 | 300 |
| 100 | 2300 | 6800 | 400 | 300 |
![]() | ![]() |
Размеры выпускаемой продукции могут быть изменены по согласованию с заказчиком. При малом расходе стоков маслобензоотделители могут быть выполнены в одном корпусе с пескоотделителем.
Конструкция и принцип работы нефтеуловителей
Функционирование нефтеловушек для производственных стоков и стоков любого другого происхождения основано на том, нефть и нефтепродукты имеют меньшую плотность, чем вода. В этих устройствах происходит укрупнение их мельчайших частиц, в результате чего они всплывают на поверхность. Кроме того, наша компания выпускает горизонтальные нефтеловушки, в которых сепарация обеспечивается специальными губчатыми фильтрами.
Сепараторы нефти и нефтепродуктов с губчатыми фильтрами представляют собой цилиндрические стеклопластиковые емкости достаточно большого объема, устанавливаемые непосредственно в грунт в горизонтальном рабочем положении. Смонтированные в них пенополиуретановые фильтрующие элементы задерживают частицы нефти и нефтепродуктов, находящиеся в стоках во взвешенном состоянии. Одной из особенностей и одновременно преимуществ таких горизонтальных нефтеловушек является то, что они отлично справляются с очисткой загрязненных стоков при залповых сбросах.
Сепараторы для очистки нефти и нефтепродуктов на основе коалесцентных модулей, также выпускаемые компанией «Флотенк», функционируют несколько иначе, хотя ничуть не менее эффективно. Они представляют собой цилиндрические резервуары, в которых располагаются очистные конструкции, состоящие из множества тонких вертикально установленных пластин. Эти элементы изготовлены из материала, на который не «налипают» нефть и нефтепродукты, а служат они для того, чтобы вдоль их поверхностей концентрировались частицы соответствующих загрязнений. Увеличиваясь в размерах, они всплывают на поверхность, и именно благодаря такому «расслоению» и происходит очистка стоков. Расчет нефтеловушки с коалесцентным с модулем в обязательном порядке производится с учетом объема и периодичности поступления в них сточных вод.
Преимущества использования нефтеловушек
Высокое качество очистки стоков от нефтепродуктов гарантирует соблюдение всех норм по содержанию нефтепродуктов в стоках. Несоблюдение установленных норм рассматривается инспектирующими органами как нарушение природоохранного законодательства. При этом контролирующая организация вправе наложить на нарушителя штрафные санкции.
При неоднократном нарушении санитарного или природоохранного законодательства, деятельность предприятия может быть остановлена до устранения нарушений. Следует также помнить, что сброс неочищенных стоков, содержащих нефтепродукты, непосредственно в городскую сеть канализации, может вызвать нарушение работы городских очистных сооружений и дестабилизацию работы системы водоотведения.
Обслуживание нефтеловушек не представляет сложности даже для новичка, не имеющего опыта работы или специальных знаний.
Особенности процессов на нефтебазах и нефтепромыслах
Перед транспортировкой добытая нефть подвергается
обработке. В процессе гравитационного отстаивания от нее отделяются пластовые
воды. Их содержание в процессе разработки увеличивается. Показатели изменяются
от 2 до 90%. Преимущественно пластовые воды бывают 2 типов: хлоркальциевые и
щелочные. На установках от нефти отделяются пластовые и технологические воды.
Типовая концентрация загрязнений нефтепромыслов приведены ниже.
Концентрация, г/л: | |
Механические примеси | 0,15 – 11,5 |
Нефть | 0,1 – 5 |
Общая минерализация | 15 – 180 |
Cl- | 4 – 124 |
Ca2+ | 4 – 23 |
Mg2+ | 2 – 7 |
0,5 – 5 | |
0 – 9,3 | |
Fe3+2+ | 0,01 – 0,15 |
Концентрация, мг/л | |
Сероводород | 25 – 420 |
Бром | 0 – 250 |
Йод | 0 – 25 |
ПАВ | 30 – 150* |
Плотность воды, г/см3 | 1,006 – 1,15 |
рН | 6,2 – 8,7 |
На базах, которые обслуживают танкеры, предусмотрен
прием балластных вод. Типовая структура канализационной системы нефтебазы.

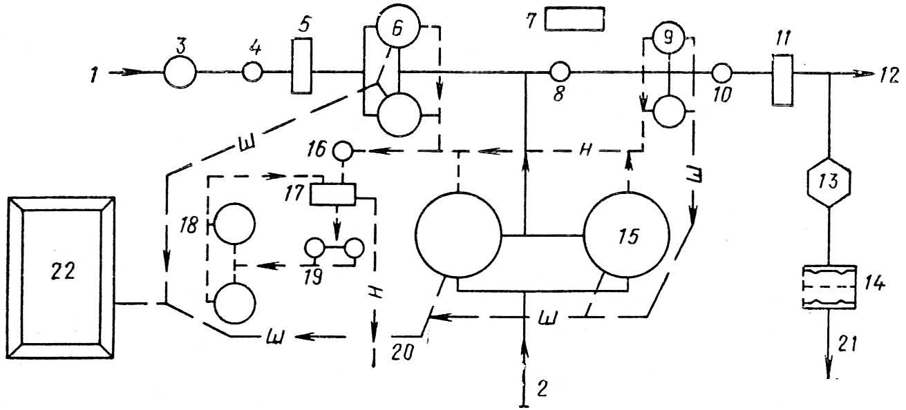
Схема канализационных очистных сооружений перевалочной нефтебазы
1 – производственно-дождевые сточные воды; 2 – балластные воды танкеров; 3 – песколовка; 4 –
приемные резервуары; 5 – насосная
станция; 6 – резервуар-отстойник; 7 – реагентное хозяйство; 8 – камера смещения; 9 – флотатор; 10 – приемный резервуар; 11
– станция подкачки воды и рециркуляции; 12
– выпуск в водоем (вариант); 13
– напорный фильтр; 14 – озонаторная
установка; 15 – буферные резервуары
балластных вод; 16 – приемный
резервуар обводненных нефтепродуктов; 17
– нефтенасосная станция; 18 –
разделочные резервуары; 19 –
дегидраторы; 20 – возврат уловленных нефтепродуктов; 21 – выпуск в водоем; 22
– шламонакопитель; трубопроводы: н – нефтепродукты; ш – шлам.
Удельное количество стоков на 1 тонну нефти отображено в следующей таблице.
Тип нефтебазы | Пропускная способность по нефтепродуктам, тыс. т/год | Количество сточной воды, м3 на 1 т нефтепродуктов |
Перевалочная: | ||
Железнодорожная | 5000 – 10000 | 0,045 – 0,04 |
Водная* | 1000 – 5000 | 0,05 – 0,045 |
Распределительная: | ||
Железнодорожная | 30 – 60 | 0,07 – 0,06 |
Водно-железнодорожная* | 30 – 60 | 0,035 – 0,03 |
Наиболее рациональное использование очищенных сточных
вод – поддержание давления в пласте, с тем чтобы нефтеотдача оставалась
эффективной. Для разных месторождений нормы качества воды для закачки –
разнятся. Показатели приведены в таблице.
Месторождение нефти | Концентрация загрязнений в сточной воде, закачиваемой в пласт, мг/л | Приемистость скважин м3/сут | ||
Механических примесей | нефти | Железа окисного | ||
Ромашкинское | 16 | 15 | 2 | 650 (при давлении 9 МПа) |
Шпаковское | 20 – 25 | 30 | 1 | – |
Таймазинское | 15 | 25 | 1 | 600 (при давлении 100 КПа) |
Арланское | 25 | 30 – 40 | – | 400 (при давлении 100 КПа) |
Мухановское | 10 | 10 | 1 | 400 (при давлении 30 КПа) |
Западно-Сургутское | 20 | 30 | 2 | – |
Эти параметры рекомендованы отраслевыми НИИ.
Подготовка очищенных стоков для закачки в пласт может выполняться в открытых,
полузакрытых и закрытых схемах. Каждая из них имеет свои преимущества и
недостатки. При разработке проекта нужно ориентироваться на нормативы ВНТП.
Выбор конкретной схемы осуществляется согласно концентрации загрязнений, их
составу, типу нефтебазы.
Выбор типа нефтеловушки
При выборе типа нефтеловушки и ее мощности первостепенное значение имеет специфика предприятия и площадь водосбора
Выбор возможных вариантов достаточно широк, наиболее мощные установки способны очищать до 50 литров стоков в секунду. При выборе модели нефтеловушки следует обратить внимание на габариты нефтеловушки. Большие по объему нефтеловушки соответственно потребуют большей площади для размещения
В целях экономии места, возможно подземное размещение нефтеловушки. Компактные нефтеловушки могут быть смонтированы непосредственно в производственных помещениях, рядом с технологическим оборудованием.
Основные типоразмеры нефтеуловителей (нефтеловушек)
| Производительность, л/с | Основные размеры, мм | |||
|---|---|---|---|---|
| Диаметр ёмкости D | Длина ёмкости L | Высота* подводящего патрубка h1 | Высота* отводящего патрубка h2 | |
| 1 | 1220 | 2500 | 1000 | 900 |
| 2 | 1220 | 3000 | 1000 | 900 |
| 3 | 1420 | 3600 | 1200 | 1100 |
| 4 | 1420 | 4000 | 1200 | 1100 |
| 5 | 1420 | 4500 | 1200 | 1100 |
| 6 | 1420 | 4900 | 1200 | 1100 |
| 7 | 1420 | 5300 | 1200 | 1100 |
| 8 | 1420 | 5700 | 1200 | 1100 |
| 9 | 1420 | 6000 | 1200 | 1100 |
| 10 | 2000 | 7200 | 1800 | 1700 |
| 11 | 2000 | 7300 | 1800 | 1700 |
| 12 | 2000 | 7500 | 1800 | 1700 |
| 13 | 2000 | 7700 | 1800 | 1700 |
| 14 | 2000 | 8000 | 1800 | 1700 |
| 15 | 2000 | 8300 | 1800 | 1700 |
| 16 | 2000 | 8500 | 1800 | 1700 |
| 17 | 2000 | 8600 | 1800 | 1700 |
| 18 | 2000 | 8700 | 1800 | 1700 |
| 19 | 2000 | 8900 | 1800 | 1700 |
| 20 | 2000 | 9100 | 1800 | 1700 |
| 25 | 2000 | 12000 | 1750 | 1650 |
| 30 | 2000 | 12700 | 1750 | 1650 |
| 35 | 2350 | 9700 | 2050 | 1950 |
| 40 | 2350 | 10000 | 2050 | 1950 |
| 45 | 2350 | 10500 | 2000 | 1900 |
| 50 | 2350 | 11000 | 2000 | 1900 |
| 55 | 2350 | 11400 | 2000 | 1900 |
| 60 | 2600 | 10700 | 2250 | 2150 |
| 65 | 2600 | 11400 | 2200 | 2100 |
| 70 | 2600 | 12000 | 2200 | 2100 |
| 75 | 2600 | 12600 | 2200 | 2100 |
| 80 | 2800 | 11500 | 2400 | 2300 |
| 85 | 2800 | 12000 | 2350 | 2250 |
| 90 | 3000 | 11000 | 2550 | 2450 |
| 95 | 3000 | 11500 | 2550 | 2450 |
| 100 | 3000 | 12000 | 2550 | 2450 |
Промышленная нефтеловушка. Конструкция
Крупные промышленные предприятия чаще всего используют для очистки стоков, загрязненных маслами и нефтепродуктами, ловушки секционного типа. Габариты конструкции: длина 36 м, ширина секции — 6 м, глубина — 2 м. Ежесекундно через одну такую секцию проходит 55 л промышленных нефтесодержащих стоков.
Исходная вода поступает в распределительную щелевую трубу со стояками, на концах которых размещены раструбы, направленные в сторону передней торцевой стены. На некотором расстоянии от торцевой трубы установлена щелевая железобетонная перегородка. С помощью этой перегородки поток сточной воды равномерно распределяется по всему поперечному сечению секции.
С выходной стороны нефтеловушки установлена полупогруженная перегородка, останавливающая дальнейшее движение собранных нефтепродуктов. Вода перетекает в водосборный лоток, а собранные нефтесодержащие отходы с помощью скребков, закрепленных на закольцованной движущейся цепи, направляются к нефтесборным щелевым трубам. Эти трубы размещены в начале и в конце нефтеловушки, перед полупогруженной и щелевой перегородками.
Привод скребкового механизма в секциях осуществляется электродвигателем через редукторы, установленные на железобетонной плите. Поворот нефтесборных труб осуществляется вручную, при помощи червячного редуктора. Технологические расчеты нефтеловушек делают по методикам расчета для горизонтальных отстойников.
С целью сокращения площадей, занимаемых очистными сооружениями, применяется многоярусная нефтеловушка, являющаяся одним из видов тонкослойных отстойников. Потоки воды и осадка движутся в такой ловушке по перекрестному принципу. Очистка ведется в двух последовательных секциях, каждая из которых имеет отдельный приямок.
Первая секция выполняет функции песколовки, в ней происходит отделение крупных взвешенных частиц и нефтепродуктов. Во второй секции установлены пакеты параллельных пластин, которые обеспечивают тонкослойное отстаивание. При использовании такой конструкции исчезает необходимость строительства отдельной песколовки и многократно сокращается площадь, занимаемая очистными сооружениями.
Дооборудование нефтеловушек блоками отстаивания в тонком слое позволяет значительно увеличить пропускную способность очистных сооружений (с 200 до 370 м3/час для одной секции). Большое значение для нормального функционирования нефтеловушек имеет равномерность распределения потока сточной воды между ярусами блока тонкослойного отстаивания.
Дренажные нефтеловушки
Первый вариант нефтеуловителей применяется для задержки и сбора утечек. Используется при транспортировке и хранении бензина, дизтоплива, технических масел, жиров и прочих углеводородных жидкостей.
Схема нефтеловушки дренажного типа подразумевает трехслойную структуру:
- защитное покрытие;
- сорбирующий слой;
- непроницаемое покрытие.
Принцип действия рассчитан на впитывание протекания, которое фиксируется непроницаемым слоем и не дает нефтепродуктам проникать за пределы контейнера. Свойства используемых материалов позволяют использовать ловушку в широком диапазоне температур.
Среди преимуществ дренажных нефтеловушек выделяют следующие:
- предотвращение протекания нефтепродуктов;
- гидрофобность – материал не впитывает воду;
- значительная сорбирующая емкость;
- минимальная потеря впитываемого вещества (десорбция);
- высокий уровень впитывания (абсорбция).
Одно из ключевых преимуществ такой ловушки – доступность для многоразового применения. Для этого ее отжимают, после чего вновь используют для сбора разлива. Утилизация производится путем сжигания в специализированной печи, захоронения или передачи соответствующему учреждению.
Вас также может заинтересовать:
Тушение нефти и нефтепродуктов
Виды, устройство и характеристики резервуаров для нефтепродуктов
Установка боновых заграждений
Принцип работы нефтеуловителя (нефтеловушки)
Работа нефтеуловителя (нефтеловушки) производства ЭКОВОД» основана на следующем принципе. Прежде всего происходит частичное оседание твердых частиц во встроенном пескоуловителе (зоне отстаивания). По желанию клиента нефтеуловитель снабжается дополнительным отсеком пескоотделения с контрольным колодцем. Это позволяет своевременно определить необходимость очистки системы в том случае, если по какой-то причине не был своевременно очищен основной пескоуловитель, либо содержание взвешенных веществ не велико. После зоны отстаивания вода направляется на коалесцентные модули, где происходит укрупнение и слипание частиц масла, в результате чего они всплывают на поверхность. После этого очищенная вода направляется в отсек, снабженный открытопористым микрофильтром, где происходит окончательная очистка. Затем сточная вода уходит в канализационную сеть. Преимуществом модулей является еще и то, что модули самоочищающиеся. При протекании вода создает вибрации, т.е. модули вибрируют, тем самым способствуют всплытию частиц масла и оседанию частиц взвешенных веществ. В нефтеуловитель, по желанию Заказчика, можно установить датчик-сигнализатор, который будет контролировать толщину слоя всплывшего масла и бензина. При достижении предельного объема масла, включается сигнализация, позволяющая вовремя производить опорожнение отделителя.

Обработка уловленного нефтешлама и нефтепродуктов
Нефтешлам и нефтепродукты, уловленные очистными
сооружениями, отправляются на установки обезвоживания и с производственной
сети, и от обратного водоснабжения. Их обводненность – от 50 до 70%. Разделка
этого вида загрязнений осуществляется в специальных резервуарах, которых не
должно быть менее 3-х после предварительного подогревания. Средняя
продолжительность процедуры – трое суток. Для расчетов нужно пользоваться
таблицей ниже.
Вид сооружений, от которых отводится шлам | Содержание взвешенных веществ в сточной воде, мг/л | Эффект осаждения взвешенных веществ в сточной воде, мг/л | Объемная масса осадка, т/м3 | Содержание нефтепродуктов в осадке (свежем), % по массе | |
свежевыпашего | слежавшегося | ||||
Песколовки | 200 – 350 | 20 | 1,2 | 2,1 | 6 – 10 |
Нефтеловушки | 160 – 280 | 60 – 70 | 1,1 | 1,5 | 20 |
Нефтеотделители | 60 – 80 | 20 | 1,0 | 1,3 | 5 |
Отстойники и пруды | 60 – 100 | 50 | – | 1,3 | 3 – 5 |
Флотационные установки | 40 – 60 | 50 | – | – | 5 – 7 |
Модельный ряд
| Модель | Артикул | Q м 3 /ч | Модификации |
|---|---|---|---|
| НЛТ-1 | 32.57.21 | 1 | Посмотреть 6 модификаций |
| НЛТ-2,5 | 32.57.22 | 2,5 | Посмотреть 6 модификаций |
| НЛТ-5 | 32.57.23 | 5 | Посмотреть 6 модификаций |
| НЛТ-10 | 32.57.24 | 10 | Посмотреть 6 модификаций |
| НЛТ-15 | 32.57.25 | 15 | Посмотреть 6 модификаций |
| НЛТ-20 | 32.57.26 | 20 | Посмотреть 6 модификаций |
| НЛТ-25 | 32.57.27 | 25 | Посмотреть 6 модификаций |
| НЛТ-32,5 | 32.57.28 | 32,5 | Посмотреть 6 модификаций |
| НЛТ-40 | 32.57.29 | 40 | Посмотреть 6 модификаций |
| НЛТ-50 | 32.57.30 | 50 | Посмотреть 6 модификаций |
| НЛТ-65 | 32.57.31 | 65 | Посмотреть 6 модификаций |
| НЛТ-80 | 32.57.32 | 80 | Посмотреть 6 модификаций |
| НЛТ-100 | 32.57.33 | 100 | Посмотреть 6 модификаций |
| НЛТ-130 | 32.57.34 | 130 | Посмотреть 6 модификаций |
| НЛТ-160 | 32.57.35 | 160 | Посмотреть 6 модификаций |
| НЛТ-200 | 32.57.36 | 200 | Посмотреть 6 модификаций |
Ловушки для нефти и газа
Ловушки для нефти и газа применяются для очищения сточных и подземных вод от примесей, легких смол, масел. Работают за счет разницы плотности воды и соответствующих веществ. С учетом механизма действия обязательно используется с системами фильтрацией от песка и грязи.

Данный тип нефтеловушек абсолютно отличается от дренажных по всем характеристикам, а также по применению и принципу действия. Не следует путать их при изучении и покупке – в некоторых компаниях могут использоваться оба вида, однако для транспортировки нефти актуальны именно сорбирующие типы.
Типы ловушек нефти и газа
Нефтяные и газовые ловушки классифицируют в зависимости от условий применения
Обращают внимание на разницу между природными и искусственными нефтеуловителями. Первые образуются в качестве природных резервуаров, в которых накапливаются залежи нефти и газа. Для очистки сточных и подземных вод применяются искусственные устройства
Их разновидности различают по режиму движение потока:
Для очистки сточных и подземных вод применяются искусственные устройства. Их разновидности различают по режиму движение потока:
- самотечные – жидкости двигаются за счет разницы высот и гравитации;
- напорные – движение обеспечивается насосом;
- накопительные коллекторы с поэтапным принципом действия.
В первых двух случаях поступающая жидкость сама фильтруется – песок выпадает в осадок, нефтепродукты поднимаются вверх, после скопления легко удаляются. Для лучшего сбора мельчайших частиц устанавливаются дополнительные многоярусные модули. Они обеспечивают раздельные зоны, в каждой из которых процесс отслаивания нефти проходит эффективнее.
Накопительные резервуары предполагают сбор водных потоков и отделение нефтепродуктов. Очищенную воду направляют затем в канализацию, на рельеф или дополнительную очистку.
Расчет нефтеловушки
Расчет выбросов от нефтеловушек проводится с целью сохранения экологии и соответствия систем очистки утвержденным стандартам. В данном направлении применяются различные методики в зависимости от типа конструкции и ее применения.
Акцент делается на загрязнении, поступающем от очистных ловушек нефти и газа для сточных и подземных вод, а также испарении и выбросе в атмосферу. Учитывается пропускная способность устройства, обрабатываемые объемы, площадь покрытия и эффективность работы.
Выбросы от нефтеловушки в атмосферу рассчитываются по утвержденным методическим указаниям РД-17-86. В данном вопросе применяется формула П = F × q × k1 × k2, кг/ч, где:
- F – площадь поверхности резервуара, м2;
- q – удельный выброс вредных веществ с поверхности, кг/ч*м3;
- k1 – коэффициент укрытия открытых поверхностей;
- k2 – коэффициент, характеризующий укрытие с боков.
Для дренажных нефтеловушек расчеты выполняются по иным принципам. Основное назначение таких изделий – защита от протечек. Соответственно учитывается пропускная способность и длительность удержания
В данном вопросе обращают внимание на плотность изделий, сорбционную емкость, скорость насыщения и максимальное время удержания
Дренажные нефтеловушки от ООО «Северное Море»
С учетом представленных характеристик и сферы применения дренажные нефтеловушки в обязательном порядке используются для хранения и транспортировки продуктов на основе углеводорода. Также применяются при сливах для предотвращения попадания нефти в почву или воду.
Приобрести дренажные нефтеловушки для бензовозов и работы с нефтью можно в компании «Северное Море». Она специализируется на производстве аварийно-спасательного оборудования, включая работу с нефтепродуктами.
Дренажные нефтеловушки в компании «Северное Море» изготавливаются по ТУ 8026-009-68457461-2014, соответствуют международным стандартам по перевозке опасных грузов (ДОПОГ), а также российскому ГОСТу и правилам перевозок, включая автомобильную транспортировку.
Товары ООО «Северное Море», которые фигурировали в статье:






































